Product Summary
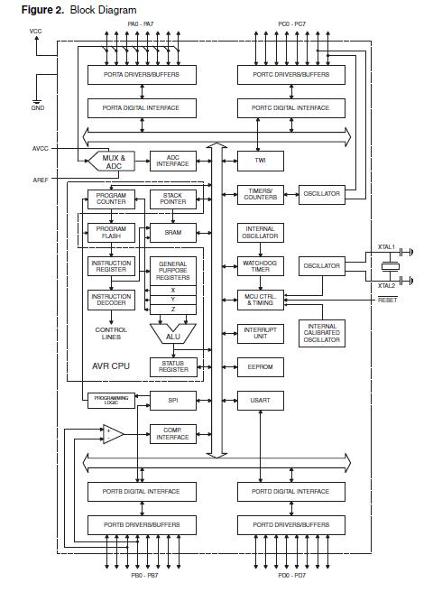
The ATMEGA16L-8PU is a low-power CMOS 8-bit microcontroller based on the AVR enhanced RISC architecture. By executing powerful instructions in a single clock cycle, the ATMEGA16L-8PU achieves throughputs approaching 1 MIPS per MHz allowing the system designer to optimize power consumption versus processing speed.
Parametrics
ATMEGA16L-8PU absolute maximum ratings: (1)Operating Temperature: -55℃ to +125℃; (2)Storage Temperature: -65℃ to +150℃; (3)Voltage on any Pin except RESET with respect to Ground: -0.5V to VCC+0.5V; (4)Voltage on RESET with respect to Ground: -0.5V to +13.0V; (5)Maximum Operating Voltage: 6.0V; (6)DC Current per I/O Pin: 40.0 mA; (7)DC Current VCC and GND Pins: 200.0mA PDIP and; (8)400.0mA TQFP/MLF.
Features
ATMEGA16L-8PU features: (1)High-performance, Low-power AVR?8-bit Microcontroller; (2)Advanced RISC Architecture: 131 Powerful Instructions-Most Single-clock Cycle Execution, 32 x 8 General Purpose Working Registers, Fully Static Operation, Up to 16 MIPS Throughput at 16 MHz, On-chip 2-cycle Multiplier; (3)Nonvolatile Program and Data Memories: 16K Bytes of In-System Self-Programmable Flash Endurance: 10,000 Write/Erase Cycles, Optional Boot Code Section with Independent Lock Bits In-System Programming by On-chip Boot Program True Read-While-Write Operation; (4)512 Bytes EEPROM Endurance: 100,000 Write/Erase Cycles, 1K Byte Internal SRAM, Programming Lock for Software Security; (5)JTAG (IEEE std. 1149.1 Compliant) Interface: Boundary-scan Capabilities According to the JTAG Standard, Extensive On-chip Debug Support, Programming of Flash, EEPROM, Fuses, and Lock Bits through the JTAG Interface.
Diagrams

| Image | Part No | Mfg | Description | ![]() |
Pricing (USD) |
Quantity | ||||||||||||
|---|---|---|---|---|---|---|---|---|---|---|---|---|---|---|---|---|---|---|
![]() |
![]() ATmega16L-8PU |
![]() Atmel |
![]() 8-bit Microcontrollers (MCU) 16kB Flash 0.5kB EEPROM 32 I/O Pins |
![]() Data Sheet |
![]()
|
|
||||||||||||
| Image | Part No | Mfg | Description | ![]() |
Pricing (USD) |
Quantity | ||||||||||||
![]() |
![]() ATMEG163POD |
![]() |
![]() IC AVR MCU ICE30 40PIN MEGAAVR |
![]() Data Sheet |
![]() Negotiable |
|
||||||||||||
![]() |
![]() ATmega103 |
![]() Other |
![]() |
![]() Data Sheet |
![]() Negotiable |
|
||||||||||||
![]() |
![]() ATMEGA103-6AC |
![]() Atmel |
![]() 8-bit Microcontrollers (MCU) TQFP-64 128K FLASH 5 |
![]() Data Sheet |
![]() Negotiable |
|
||||||||||||
![]() |
![]() ATMEGA103-6AI |
![]() |
![]() IC MCU 128K 6MHZ A/D IT 64TQFP |
![]() Data Sheet |
![]() Negotiable |
|
||||||||||||
![]() |
![]() ATMEGA103-6AU |
![]() Other |
![]() |
![]() Data Sheet |
![]() Negotiable |
|
||||||||||||
![]() |
![]() ATmega103L |
![]() Other |
![]() |
![]() Data Sheet |
![]() Negotiable |
|
||||||||||||
(China (Mainland))












