Product Summary
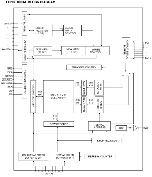
The Samsung KM4216C258G-50 is a CMOS 256K x 16 bit Dual Port DRAM. It consists of a 256K x 16 dynamic random access memory (RAM) port and 512 x 16 static serial access memory (SAM) port. The RAM and SRAM port operate asynchronously except during data transfer between the ports. The SAM port consists of sixteen 512 bit high speed shift registers that are connected to the RAM array through a 8192 bit data transfer gate. The SAM port has serial read capability.
Parametrics
Absolute maximum ratings: (1)Voltage on any pin relative to VSS: -0.5V to +4.6V (3.3V) or -1.0V to +7.0V (5V); (2)Voltage on VCC supply relative to VSS: -0.5V to +4.6V (3.3V) or -1.0V to +7.0V (5V); (3)Storage Temperature: -55 to +150 ℃ ; (4)Power Dissipation: 1 W; (5)Short Circuit Output Current: 50 mA.
Features
Features:(1)fast page mode with extended data out;(2)ram read, write, read-modify-write;(3)serial read (SR);(4)read/real time read transfer (RT, RRT);(5)split read transfer with stop operation (SRT); (6)common data I/O using three state ram output control;(7)all inputs and outputs ttl compatible;(8)refresh:512 cycle/8ms.
Diagrams

![]() |
![]() KM4200 |
![]() Other |
![]() |
![]() Data Sheet |
![]() Negotiable |
|
||||||||||||
![]() |
![]() KM4200IC8 |
![]() Fairchild Semiconductor |
![]() High Speed Operational Amplifiers SOIC-8 |
![]() Data Sheet |
![]() Negotiable |
|
||||||||||||
![]() |
![]() KM4200IC8TR3 |
![]() Fairchild Semiconductor |
![]() Operational Amplifiers - Op Amps Dual RRO amplifier 26Mhz |
![]() Data Sheet |
![]()
|
|
||||||||||||
![]() |
![]() KM4200IC8TR3_NL |
![]() Fairchild Semiconductor |
![]() High Speed Operational Amplifiers |
![]() Data Sheet |
![]() Negotiable |
|
||||||||||||
![]() |
![]() KM4200IC8TR3_Q |
![]() Fairchild Semiconductor |
![]() Operational Amplifiers - Op Amps Dual RRO amplifier 26Mhz |
![]() Data Sheet |
![]() Negotiable |
|
||||||||||||
![]() |
![]() KM4200IM8 |
![]() Fairchild Semiconductor |
![]() High Speed Operational Amplifiers MSOP-8 |
![]() Data Sheet |
![]() Negotiable |
|
||||||||||||
(China (Mainland))









