Product Summary
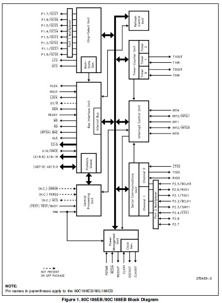
The TN80C186EB20 is the first product in a new generation of low-power, high-integration microprocessors. It enhances the existing 186 family by offering new features and new operating modes. The TN80C186EB20 is object code compatible with the 80C186XL/80C188XL microprocessors. The 80L186EB is the 3V version of the TN80C186EB20. The 80L186EB is functionally identical to the TN80C186EB20 embedded processor. Current TN80C186EB20 users can easily upgrade their designs to use the 80L186EB and benefit from the reduced power consumption inherent in 3V operation.
Parametrics
TN80C186EB20 absolute maximum ratings: (1)Storage Temperature: -65℃ to +150℃; (2)Case Temp under Bias: -65℃ to +120℃; (3)Supply Voltage with Respect to VSS: -0.5V to a 6.5V; (4)Voltage on other Pins with Respect to VSS: -0.5V to VCC a 0.5V.
Features
TN80C186EB20 features: (1)Low-Power Static CPU Core; (2)Two Independent UARTs each with an Integral Baud Rate Generator; (3)Two 8-Bit Multiplexed I/O Ports; (4)Programmable Interrupt Controller; (5)Three Programmable 16-Bit Timer/Counters; (6)Clock Generator; (7)Ten Programmable Chip Selects with Integral Wait-State Generator; (8)Memory Refresh Control Unit; (9)System Level Testing Support (ONCE Mode); (10)Direct Addressing Capability to 1 Mbyte Memory and 64 Kbyte I/O; (11)Speed Versions Available (5V): 20 MHz; (12)Available in Extended Temperature Range (-40℃ to +85℃).
Diagrams

| Image | Part No | Mfg | Description | ![]() |
Pricing (USD) |
Quantity | ||||||||||||||
|---|---|---|---|---|---|---|---|---|---|---|---|---|---|---|---|---|---|---|---|---|
![]() |
![]() TN80C186EB20 |
![]() |
![]() IC MPU 16BIT 5V 20MHZ 84PLCC |
![]() Data Sheet |
![]() Negotiable |
|
||||||||||||||
| Image | Part No | Mfg | Description | ![]() |
Pricing (USD) |
Quantity | ||||||||||||||
![]() |
![]() TN805 |
![]() Other |
![]() |
![]() Data Sheet |
![]() Negotiable |
|
||||||||||||||
![]() |
![]() TN805-600B |
![]() STMicroelectronics |
![]() SCRs 8.0 Amp 600 Volt |
![]() Data Sheet |
![]() Negotiable |
|
||||||||||||||
![]() |
![]() TN805-600B-TR |
![]() STMicroelectronics |
![]() SCRs 8.0 Amp 600 Volt |
![]() Data Sheet |
![]()
|
|
||||||||||||||
![]() |
![]() TN805-800B |
![]() STMicroelectronics |
![]() SCRs 8.0 Amp 800 Volt |
![]() Data Sheet |
![]() Negotiable |
|
||||||||||||||
![]() |
![]() TN805-600H |
![]() STMicroelectronics |
![]() SCRs 8.0 Amp 600 Volt |
![]() Data Sheet |
![]() Negotiable |
|
||||||||||||||
![]() |
![]() TN80960SA16 |
![]() |
![]() IC MPU I960SA 16MHZ 84-PLCC |
![]() Data Sheet |
![]()
|
|
||||||||||||||
(China (Mainland))










