Product Summary
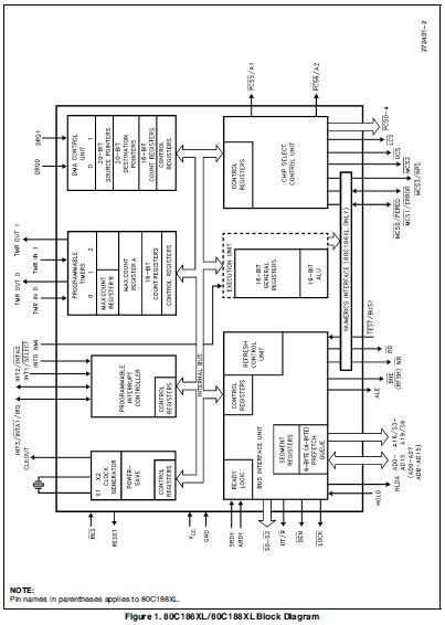
The TN80C186XL20 is a 16-bit high-integration embedded processor. The device has two major modes of operation, Compatible and Enhanced. In Compatible Mode the TN80C186XL20 is completely compatible with NMOS 80186, with the exception of 8087 support. The Enhanced mode adds three new features to the system design. These are Power-Save control, Dynamic RAM refresh, and an asynchronous Numerics Coprocessor interface (80C186XL only). The TN80C186XL20 oscillator circuit is designed to be used either with a parallel resonant fundamental or third-overtone mode crystal, depending upon the frequency range of the application. This is used as the time base for the TN80C186XL20.
Parametrics
TN80C186XL20 absolute maximum ratings: (1)Ambient Temperature under Bias: 0℃ to 70℃; (2)Storage Temperature: -65 to 150℃; (3)Voltage on Any Pin with; (4) espect to Ground: -1.0V to 7.0V; (5)Package Power Dissipation: 1W.
Features
TN80C186XL20 features: (1)Static, Modular CPU; (2)Clock Generator; (3)2 Independent DMA Channels; (4)Programmable Interrupt Controller; (5)3 Programmable 16-Bit Timers; (6)Dynamic RAM Refresh Control Unit; (7)Programmable Memory and Peripheral Chip Select Logic; (8)Programmable Wait State Generator; (9)Local Bus Controller; (10)Power-Save Mode; (11)System-Level Testing Support (High Impedance Test Mode); (12)Completely Object Code Compatible with Existing 8086/8088 Software and Has 10 Additional Instructions over 8086/8088.
Diagrams

| Image | Part No | Mfg | Description | ![]() |
Pricing (USD) |
Quantity | ||||||||||||||
|---|---|---|---|---|---|---|---|---|---|---|---|---|---|---|---|---|---|---|---|---|
![]() |
![]() TN80C186XL20 |
![]() |
![]() IC MPU 16BIT 5V 20MHZ EXT 68PLCC |
![]() Data Sheet |
![]() Negotiable |
|
||||||||||||||
| Image | Part No | Mfg | Description | ![]() |
Pricing (USD) |
Quantity | ||||||||||||||
![]() |
![]() TN805 |
![]() Other |
![]() |
![]() Data Sheet |
![]() Negotiable |
|
||||||||||||||
![]() |
![]() TN805-600B |
![]() STMicroelectronics |
![]() SCRs 8.0 Amp 600 Volt |
![]() Data Sheet |
![]() Negotiable |
|
||||||||||||||
![]() |
![]() TN805-600B-TR |
![]() STMicroelectronics |
![]() SCRs 8.0 Amp 600 Volt |
![]() Data Sheet |
![]()
|
|
||||||||||||||
![]() |
![]() TN805-800B |
![]() STMicroelectronics |
![]() SCRs 8.0 Amp 800 Volt |
![]() Data Sheet |
![]() Negotiable |
|
||||||||||||||
![]() |
![]() TN805-600H |
![]() STMicroelectronics |
![]() SCRs 8.0 Amp 600 Volt |
![]() Data Sheet |
![]() Negotiable |
|
||||||||||||||
![]() |
![]() TN80960SA16 |
![]() |
![]() IC MPU I960SA 16MHZ 84-PLCC |
![]() Data Sheet |
![]()
|
|
||||||||||||||
(China (Mainland))










