Product Summary
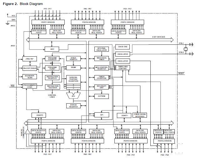
The ATMEGA64L-8AU is a low-power CMOS 8-bit microcontroller. It is based on the AVR enhanced RISC architecture. By executing powerful instructions in a single clock cycle, the ATMEGA64L-8AU achieves throughputs approaching 1 MIPS per MHz, allowing the system designer to optimize power consumption versus processing speed. The ATMEGA64L-8AU is supported with a full suite of program and system development tools. The On-chip ISP Flash allows the program memory to be reprogrammed In-System through an SPI serial interface, by a conventional non-volatile memory programmer, or by an On-chip Boot program running on the AVR core.
Parametrics
ATMEGA64L-8AU absolute maximum ratings: (1)Operating Temperature: -55 to +125℃; (2)Storage Temperature: -65 to +150℃; (3)Voltage on any Pin except RESET with respect to Ground: -0.5V to VCC+0.5V; (4)Voltage on RESET with respect to Ground: -0.5V to +13.0V; (5)Maximum Operating Voltage: 6.0V; (6)DC Current per I/O Pin: 40.0 mA; (7)DC Current VCC and GND Pins: 200.0 - 400.0mA.
Features
ATMEGA64L-8AU features: (1)High-performance, Low-power AVR 8-bit Microcontroller; (2)Advanced RISC Architecture; (3)64K Bytes of In-System Reprogrammable Flash program memory; (4)2K Bytes EEPROM; (5)4K Bytes Internal SRAM; (6)Two 8-bit Timer/Counters with Separate Prescalers and Compare Modes; (7)Two Expanded 16-bit Timer/Counters with Separate Prescaler, Compare Mode, and Capture Mode; (8)Real Time Counter with Separate Oscillator; (9)Internal Calibrated RC Oscillator; (10)External and Internal Interrupt Sources; (11)Six Sleep Modes: Idle, ADC Noise Reduction, Power-save, Power-down, Standby.
Diagrams

| Image | Part No | Mfg | Description | ![]() |
Pricing (USD) |
Quantity | ||||||||||||
|---|---|---|---|---|---|---|---|---|---|---|---|---|---|---|---|---|---|---|
![]() |
![]() ATmega64L-8AU |
![]() Atmel |
![]() 8-bit Microcontrollers (MCU) 64kB Flash 2kB EEPROM 54 I/O Pins |
![]() Data Sheet |
![]()
|
|
||||||||||||
![]() |
![]() ATMEGA64L-8AUR |
![]() Atmel |
![]() 8-bit Microcontrollers (MCU) AVR 64KB FLSH 2KB EE 4KB SRAM-8MHz, IND |
![]() Data Sheet |
![]()
|
|
||||||||||||
(China (Mainland))










