Product Summary
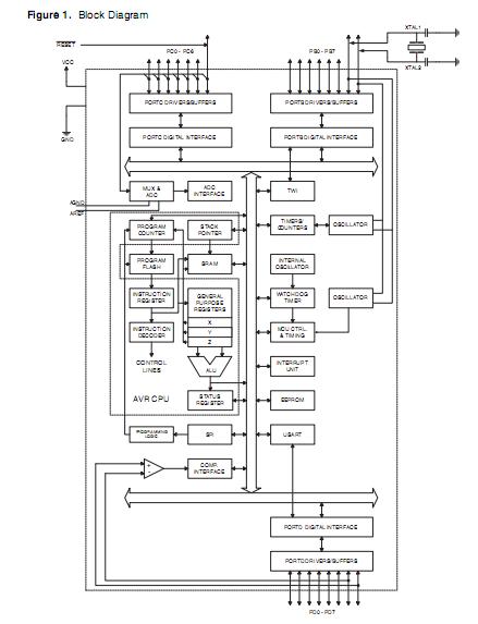
The ATMEGA8L-8AU is a low-power CMOS 8-bit microcontroller based on the AVR RISC architecture. By executing powerful instructions in a single clock cycle, the ATMEGA8L-8AU achieves throughputs approaching 1 MIPS per MHz, allowing the system designer to optimize power consumption versus processing speed.
Parametrics
ATMEGA8L-8AU absolute maximum ratings: (1)Operating Temperature:-55℃ to +125℃; (2)Storage Temperature:-65℃ to +150℃; (3)Voltage on any Pin except RESET; (4)with respect to Ground:-0.5V to VCC+0.5V; (5)Voltage on RESET with respect to Ground:-0.5V to +13.0V; (6)Maximum Operating Voltage:6.0V; (7)DC Current per I/O Pin:40.0 mA; (8)DC Current VCC and GND Pins:300.0 mA.
Features
ATMEGA8L-8AU features: (1)High-performance, Low-power AVR 8-bit Microcontroller ; (2)Advanced RISC Architecture:130 Powerful Instructions – Most Single-clock Cycle Execution,32 x 8 General Purpose Working Registers,Fully Static Operation,Up to 16 MIPS Throughput at 16 MHz,On-chip 2-cycle Multiplier; (3)High Endurance Non-volatile Memory segments:8K Bytes of In-System Self-programmable Flash program memory,512 Bytes EEPROM,1K Byte Internal SRAM,Write/Erase Cycles: 10,000 Flash/100,000 EEPROM,Data retention: 20 years at 85°C/100 years at 25℃,Optional Boot Code Section with Independent Lock Bits; (4)In-System Programming by On-chip Boot Program; (5)True Read-While-Write Operation:Programming Lock for Software Security; (6)Two 8-bit Timer/Counters with Separate Prescaler, one Compare Mode; (7)One 16-bit Timer/Counter with Separate Prescaler, Compare Mode, and Capture Mode; (8)Real Time Counter with Separate Oscillator; (9)Three PWM Channels; (10)8-channel ADC in TQFP and QFN/MLF package Eight Channels 10-bit Accuracy; (11)6-channel ADC in PDIP package Six Channels 10-bit Accuracy; (12)Byte-oriented Two-wire Serial Interface; (13)Programmable Serial USART; (14)Master/Slave SPI Serial Interface; (15)Programmable Watchdog Timer with Separate On-chip Oscillator; (16)On-chip Analog Comparator; (17)Power-on Reset and Programmable Brown-out Detection; (18)Internal Calibrated RC Oscillator; (19)External and Internal Interrupt Sources; (20)Five Sleep Modes: Idle, ADC Noise Reduction, Power-save, Power down, and Standby.
Diagrams

| Image | Part No | Mfg | Description | ![]() |
Pricing (USD) |
Quantity | ||||||||||||
|---|---|---|---|---|---|---|---|---|---|---|---|---|---|---|---|---|---|---|
![]() |
![]() ATmega8L-8AU |
![]() Atmel |
![]() 8-bit Microcontrollers (MCU) 8kB Flash 0.5kB EEPROM 23 I/O Pins |
![]() Data Sheet |
![]()
|
|
||||||||||||
![]() |
![]() ATMEGA8L-8AUR |
![]() Atmel |
![]() 8-bit Microcontrollers (MCU) AVR 8KB FLSH 512B EE 1KB SRAM-8MHz |
![]() Data Sheet |
![]()
|
|
||||||||||||
(China (Mainland))










