Product Summary
The LT3575EFE is a isolated monolithic flyback converter. It operates with input supply voltages from 3V to 40V. The part senses the isolated output voltage directly from the primary side flyback waveform. No third winding or opto-coupler is required for regulation. The LT3575EFE utilizes boundary mode operation to provide a high efficiency, small size solution with improved load regulation. It can be used in industrial, automotive and medical applications where isolated output is required.
Parametrics
LT3575EFE absolute maximum ratings: (1)Minimum Input Voltage: 10V; (2)Maximum Input Voltage: 28V; (3)Output Voltage, VOUT: 5.0V ±5% at VIN = 10V~20V, IOUT = 0.1~1.4A; 5.0V ±5% at VIN = 21V~28V, IOUT = 0.1~2.0A; (4)Output Current, IOUT: 1.4A at VIN = 10V~20V; 2.0A at VIN = 21V~28V.
Features
LT3575EFE features: (1)operates with input supply voltages from 3V to 40V; (2)utilizes boundary mode operation; (3)provide a high efficiency, small size solution with improved load regulation; (4)used in industrial, automotive and medical applications.
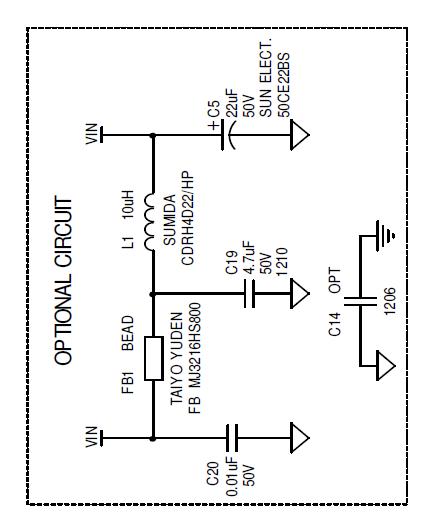
Diagrams

| Image | Part No | Mfg | Description | ![]() |
Pricing (USD) |
Quantity | ||||||||||
|---|---|---|---|---|---|---|---|---|---|---|---|---|---|---|---|---|
![]() |
![]() LT3575EFE#PBF |
![]() |
![]() IC REG FLYBACK ISO ADJ 16TSSOP |
![]() Data Sheet |
![]()
|
|
||||||||||
![]() |
![]() LT3575EFE#TRPBF |
![]() |
![]() IC REG FLYBACK ISO ADJ 16TSSOP |
![]() Data Sheet |
![]()
|
|
||||||||||
(China (Mainland))









