Product Summary
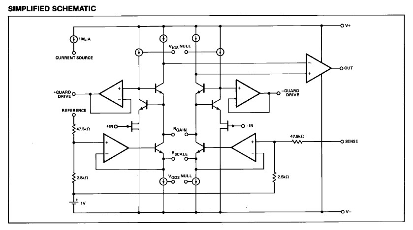
The AMP05FX is a fast JFET instrumentation amplifier designed for high-speed analog signal-processing and analog-multi-plexed data acquisition systems. Setting-time to 12-bits is 15s maximum, with better than 14-bit linearity at all gains up to 1000. Two functions of AMP05FX are added to the instrumentation amplifier taht reduce external component count in many applicantions. On-board dual guard driver maintain good settling-time and common-mode rejection performance when shielded cable connects the input signal to the AMP05FX.
Parametrics
AMP05FX absolute maximum ratings: (1)supply voltage: ±18V; (2)common-mode input voltage: supply voltage; (3)differential input voltage: ±30 V; (4)output short-circuit duration: indefinite; (5)storage temperature range: -65 to +150 ℃; (6)operating temperature range: -55 to +125 ℃; (7)lead temperature: 300 ℃; (8)junction temperature: -65 to +150 ℃.
Features
AMP05FX features: (1)settling-time to 12-bit accuracy, G 2000: 15μs max; (2)overload recovery time, G=1000: 15μs; (3)14-bit gain linearity at G≤1000; (4)on-board dual guard drivers; (5)on-board 100 μA precision current source; (6)low bias current: 50pA max @ 25 ℃, 20nA max @ 125 ℃; (7)temperature stable CMR: 105 dB min over -55 to +125 ℃; (8)high slew-rate with 500pF load: 5V/μs min; (9)input overload protected to ±30 differential; (10)available in die form.
Diagrams

![]() |
![]() AMP01 |
![]() Other |
![]() |
![]() Data Sheet |
![]() Negotiable |
|
||||||||||||||||||
![]() |
![]() AMP01BX |
![]() |
![]() IC AMP INST PREC LN 120MA 18CDIP |
![]() Data Sheet |
![]()
|
|
||||||||||||||||||
![]() |
![]() AMP01EX |
![]() |
![]() IC AMP INST PREC LN 120MA 18CDIP |
![]() Data Sheet |
![]()
|
|
||||||||||||||||||
![]() |
![]() AMP01GSZ-REEL |
![]() |
![]() IC AMP INST PREC LN 120MA 20SOIC |
![]() Data Sheet |
![]()
|
|
||||||||||||||||||
![]() |
![]() AMP02EP |
![]() |
![]() IC AMP INST PREC LDRIFT 8DIP |
![]() Data Sheet |
![]()
|
|
||||||||||||||||||
![]() |
![]() AMP02FPZ |
![]() |
![]() IC AMP INST PREC LDRIFT 8DIP |
![]() Data Sheet |
![]()
|
|
||||||||||||||||||
(China (Mainland))











