Product Summary
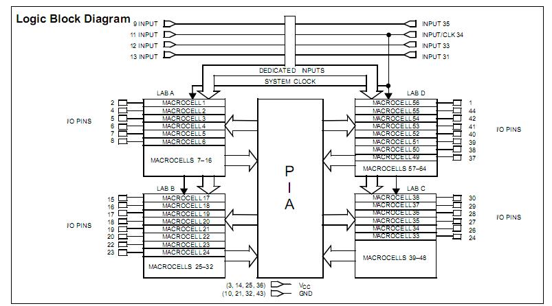
The CY7C343-25HC is a high-performance, high-density erasable programmable logic device, available in 44-pin PLCC and HLCC packages. The CY7C343-25HC contains 64 highly flexible macrocells and 128 expander product terms. These resources are divided into four Logic Array Blocks (LABs) connected through the Programmable Inter-connect Array (PIA). There are eight input pins, one that doubles as a clock pin when needed. The CY7C343-25HC also has 28 I/O pins, each connected to a macrocell (six for LABs A and C, and eight for LABs B and D). The remaining 36 macrocells are used for embedded logic. The CY7C343-25HC is excellent for a wide range of both synchronous and asynchronous applications.
Parametrics
CY7C343-25HC absolute maximum ratings: (1)Storage Temperature:–65℃ to +150℃; (2)Ambient Temperature with Power Applied:0℃ to +70℃; (3)Maximum Junction Temperature(Under Bias):150℃; (4)Supply Voltage to Ground Potential:–2.0V to +7.0V; (5)Maximum Power Dissipation:2500 mW; (6)DC VCC or GND Current:500 mA; (7)DC Output Current, per Pin:–25 mA to +25 mA; (8)DC Input Voltage:–3.0V to +7.0V; (9)DC Program Voltage:13.0V; (10)Static Discharge Voltage: > 1100V(per MIL-STD-883, method 3015).
Features
CY7C343-25HC features: (1)64 MAX macrocells in four LABs; (2)Eightdedicated inputs, 24 bidirectional I/O pins; (3)Programmable interconnect array; (4)0.8-micron double-metal CMOS EPROM technology ; (5)Available in 44-pin HLCC, PLCC; (6)Lowest power MAX device.
Diagrams

![]() |
![]() CY7C006 |
![]() Other |
![]() |
![]() Data Sheet |
![]() Negotiable |
|
||||||||||||
![]() |
![]() CY7C006A |
![]() Other |
![]() |
![]() Data Sheet |
![]() Negotiable |
|
||||||||||||
![]() |
![]() CY7C006A-15AXC |
![]() Cypress Semiconductor |
![]() SRAM 5V 16Kx8 COM Dual Port SRAM |
![]() Data Sheet |
![]() Negotiable |
|
||||||||||||
![]() |
![]() CY7C006A-15AXCT |
![]() Cypress Semiconductor |
![]() SRAM 5V 16Kx8 COM Dual Port SRAM |
![]() Data Sheet |
![]() Negotiable |
|
||||||||||||
![]() |
![]() CY7C006A-20AC |
![]() |
![]() IC SRAM 16KX8 DUAL 64LQFP |
![]() Data Sheet |
![]() Negotiable |
|
||||||||||||
![]() |
![]() CY7C006A-20AXC |
![]() Cypress Semiconductor |
![]() SRAM 5V 16Kx8 COM Dual Port SRAM |
![]() Data Sheet |
![]()
|
|
||||||||||||
(China (Mainland))










