Product Summary
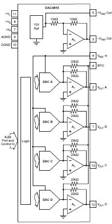
The DAC4815AP is a dual and quad 12-bit digital-to-analog converter (DAC). TheDAC4815AP contains CMOS logic, switches, a high-performance buried-zener reference, and low-noise bipolar output amplifiers. No external components are required for bipolar ±10V output range. The DAC4815AP has a 2-byte (8 + 4) double-buffered interface. Data is first loaded (level transferred) into the input registers in two steps for each DAC. Then both DACs are updated simultaneously. The DAC4815AP has an asynchronous clear control for reset to bipolar zero. This feature is useful for power-on reset or system calibration. The DAC4815AP is packaged in a 28-pin plastic DIP rated for the –40 to +85℃ extended industrial temperature range.
Parametrics
DAC4815AP absolute maximum ratings: (1)+VL to AGND: 0V, +7V; (2)+VL to DGND: 0V, +7V; (3)+VS to AGND: 0V, +18V; (4)–VS to AGND: 0V,–18V; (5)AGND to DGND: ±0.3V; (6)Any digital input to GND: –0.3V, +VL +0.3V; (7)Ref In to AGND: ±25V; (8)Ref In to DGND: ±25V; (9)Storage Temperature Range: –55 to +125℃; (10)Operating Temperature Range: –40 to +85℃; (11)Lead Temperature (soldering, 10s): +300℃; (12)Junction Temperature: +155℃; (13)Output Short Circuit: Continuous to common or ±VS; (14)Reference Short Circuit: Continuous to common or +VS.
Features
DAC4815AP features: (1)complete quad dac —includes internal references and output amplifiers; (2)guaranteed specifications over temperature; (3)guaranteed monotonic over temperature; (4)high-speed 8 + 4-bit parallel interface; (5)low power, 600mw (150mw/dac); (6)low gain drift, 5ppm/℃; (7)low nonlinearity: ±1/2 lsb max; (8)bipolar output; (9)clear/reset to bipolar zero.
Diagrams

| Image | Part No | Mfg | Description | ![]() |
Pricing (USD) |
Quantity | ||||
|---|---|---|---|---|---|---|---|---|---|---|
![]() |
![]() DAC4815AP |
![]() Texas Instruments |
![]() IC QUAD 12 BIT D/A CONV 28 DIP |
![]() Data Sheet |
![]() Negotiable |
|
||||
| Image | Part No | Mfg | Description | ![]() |
Pricing (USD) |
Quantity | ||||
![]() |
![]() DAC4814 |
![]() Other |
![]() |
![]() Data Sheet |
![]() Negotiable |
|
||||
![]() |
![]() DAC4814AP |
![]() Texas Instruments |
![]() IC QUAD 12-BIT SERIAL D/A 28-DIP |
![]() Data Sheet |
![]() Negotiable |
|
||||
![]() |
![]() DAC4814BP |
![]() Texas Instruments |
![]() IC QUAD 12-BIT SERIAL D/A 28-DIP |
![]() Data Sheet |
![]() Negotiable |
|
||||
![]() |
![]() DAC4815 |
![]() Other |
![]() |
![]() Data Sheet |
![]() Negotiable |
|
||||
![]() |
![]() DAC4815AP |
![]() Texas Instruments |
![]() IC QUAD 12 BIT D/A CONV 28 DIP |
![]() Data Sheet |
![]() Negotiable |
|
||||
![]() |
![]() DAC488HR |
![]() Other |
![]() |
![]() Data Sheet |
![]() Negotiable |
|
||||
(China (Mainland))










