Product Summary
The LTS15-NP is a Current Transducer. The LTS15-NP is for the electronic measurement of currents : DC, AC, pulsed, mixed, with a galvanic isolation between the primary circuit (high power) and the secondary circuit (electronic circuit). The applications of LTS15-NP are: AC variable speed drives and servo motor drives; Static converters for DC motor drives; Battery supplied applications; Uninterruptible Power Supplies (UPS); Switched Mode Power Supplies (SMPS); Power supplies for welding applications.
Parametrics
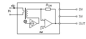
LTS15-NP absolute maximum ratings: (1)IPN Primary nominal current rms: 15 A; (2)IPM Primary current, measuring range: 0 to ±48 At; (3)IPDC Overload capability (direct current) 250 At; (4)VOUT Analog output voltage @ IP 2.5 ±(0.625 IP/IPN)V; IP = 0 2.5 V; (5)N S Number of secondary turns (±0.1 %) 2000; (6)RL Load resistance ≥2 kΩ; (7)RIM Internal measuring resistance (±0.5 %) 83.33 Ω; (8)TCR IM Temperature coefficient of R IM < 50 ppm/K; (9)VC Supply voltage (±5 %) 5 V; (10)IC Current consumption @ VC = 5 V Typ: 28+IS+(VOUT/RL)mA.
Features
LTS15-NP features: (1)Closed loop (compensated) multirange current transducer using the Hall effect; (2)Unipolar voltage supply; (3)Compact design for PCB mounting; (4)Isolated plastic case recognized according to UL 94-V0; (5)Incorporated measuring resistance; (6)Extended measuring range.
Diagrams

![]() |
![]() LTS10N10KB5C |
![]() Honeywell |
![]() Industrial Motion & Position Sensors Resistive & Optical |
![]() Data Sheet |
![]()
|
|
||||||||
![]() |
![]() LTS10N10KF5C |
![]() Honeywell |
![]() Industrial Motion & Position Sensors Resistive & Optical |
![]() Data Sheet |
![]()
|
|
||||||||
(China (Mainland))








