Product Summary
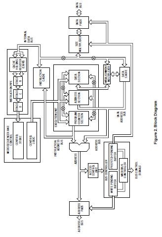
The MC68EC030RP25C is a 32-bit embedded controller that streamlines the functionality of an MC68030 for the requirements of embedded control applications. The MC68EC030RP25C is optimized to maintain performance while using cost-effective memory subsystems. The rich instruction set and addressing mode capabilities of the MC68EC030RP25C have been maintained, allowing a clear migration path for M68000 systems.
Parametrics
MC68EC030RP25C absolute maximum ratings: (1)Supply Voltage, VC:C -0.3 to +7.0 V; (2)Input Voltage, Vin: -0.5 to +7.0 V; (3)Operating Temperature Range, TA: 0 to 70℃; (4)Storage Temperature Range, Tstg: -55 to 150℃.
Features
MC68EC030RP25C features: (1)Object-Code Compatible with the MC68020, MC68030, and Earlier M68000 Microprocessors; (2)Burst-Mode Bus Interface for Efficient DRAM Access; (3)On-Chip Data Cache (256 Bytes) and On-Chip Instruction Cache(256 Byte); (4)Dynamic Bus Sizing for Direct Interface to 8-, 16-, and 32-Bit Devices; (5)25- and 40-MHz Operating Frequency (up to 9.2 MIPS); (6)Advanced Plastic Pin Grid Array Packaging for Through-Hole Application; (7)Complete 32-Bit Nonmultiplexed Address and Data Buses; (8)Sixteen 32-Bit General-Purpose Data and Address Registers; (9)Two 32-Bit Supervisor Stack Pointers and Eight Special-Purpose Control Registers; (10)Two Access Control Registers Allow Blocks To Be Defined for Cacheability Protection.
Diagrams

![]() |
![]() MC6800 |
![]() Other |
![]() |
![]() Data Sheet |
![]() Negotiable |
|
||||
![]() |
![]() MC6801 |
![]() Other |
![]() |
![]() Data Sheet |
![]() Negotiable |
|
||||
![]() |
![]() MC68020 |
![]() Other |
![]() |
![]() Data Sheet |
![]() Negotiable |
|
||||
![]() |
![]() MC68020CEH16E |
![]() Freescale Semiconductor |
![]() Microprocessors (MPU) 32-BIT MPU |
![]() Data Sheet |
![]() Negotiable |
|
||||
![]() |
![]() MC68020CEH25E |
![]() Freescale Semiconductor |
![]() Microprocessors (MPU) 32-BIT MPU |
![]() Data Sheet |
![]() Negotiable |
|
||||
![]() |
![]() MC68020CRC16E |
![]() Freescale Semiconductor |
![]() Microprocessors (MPU) 32-BIT MPU |
![]() Data Sheet |
![]() Negotiable |
|
||||
(China (Mainland))









