Product Summary
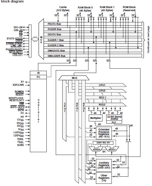
The SMJ320C40GFM50 is a 32-bit, floating-point processor manufactured in 0.72-μm, double-level metal CMOS technology. The device is a part of the fourth-generation DSPs from Texas Instruments and is designed primarily for parallel processing. The SMJ320C40GFM50 has six on-chip communication ports for processor-to-processor communication with no external hardware and simple communication software. This allows connectivity to other C4x processors with no external-glue logic. The communication ports of the SMJ320C40GFM50 remove input/output bottlenecks, and the independent smart DMA coprocessor is able to handle the CPU input/output burden.
Parametrics
SMJ320C40GFM50 absolute maximum ratings: (1)Input voltage range: 0.3 V to 7 V; (2)Output voltage range: 0.3 V to 7 V; (3)Operating case temperature range, TC: -55℃ to 125℃; (4)Storage temperature range, Tstg: -65℃ to 150℃.
Features
SMJ320C40GFM50 features: (1)Six Communications Ports; (2)6-Channel Direct Memory Access (DMA) Coprocessor; (3)Single-Cycle Conversion to and From IEEE-745 Floating-Point Format; (4)Single Cycle 1/x, 1/; (5)Source-Code Compatible With SMJ320C30; (6)Validated Ada Compiler; (7)Single-Cycle 40-Bit Floating-Point, 32-Bit Integer Multipliers; (8)12 40-Bit Registers, 8 Auxiliary Registers, 14 Control Registers, and 2 Timers; (9)High Port-Data Rate of 100 MBytes/s (Each Bus); (10)16G-Byte Continuous Program/ Data/ Peripheral Address Space; (11)Memory-Access Request for Fast, Intelligent Bus Arbitration; (12)Separate Address-, Data-, and Control-Enable Pins; (13)Four Sets of Memory-Control Signals Support Different Speed Memories in Hardware.
Diagrams

| Image | Part No | Mfg | Description | ![]() |
Pricing (USD) |
Quantity | ||||||
|---|---|---|---|---|---|---|---|---|---|---|---|---|
![]() |
![]() SMJ320C40GFM50 |
![]() Other |
![]() |
![]() Data Sheet |
![]() Negotiable |
|
||||||
| Image | Part No | Mfg | Description | ![]() |
Pricing (USD) |
Quantity | ||||||
![]() |
![]() SMJ320C25 |
![]() Other |
![]() |
![]() Data Sheet |
![]() Negotiable |
|
||||||
![]() |
![]() SMJ320C25-50 |
![]() Other |
![]() |
![]() Data Sheet |
![]() Negotiable |
|
||||||
![]() |
![]() SMJ320C30 |
![]() Other |
![]() |
![]() Data Sheet |
![]() Negotiable |
|
||||||
![]() |
![]() SMJ320C30GBM40 |
![]() Texas Instruments |
![]() Digital Signal Processors & Controllers (DSP, DSC) Digital Signal Proc |
![]() Data Sheet |
![]()
|
|
||||||
![]() |
![]() SMJ320C30KGDB |
![]() Other |
![]() |
![]() Data Sheet |
![]() Negotiable |
|
||||||
![]() |
![]() SMJ320C31 |
![]() Other |
![]() |
![]() Data Sheet |
![]() Negotiable |
|
||||||
(China (Mainland))









