Product Summary
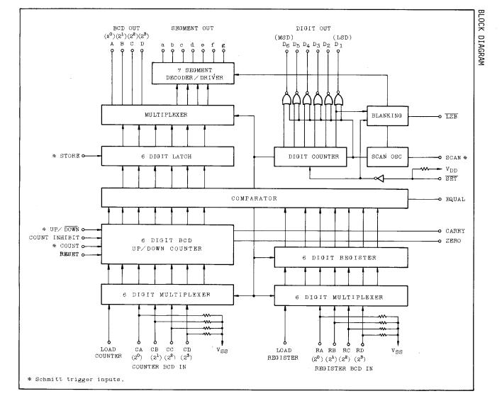
The TC5070P is a 6-digit universal counter containing 6-digit memory register in addition to functions of up/down counting, data presetting, zero suppress, and latch. In addition to CARRY and ZERO outputs, the TC5070P is provided with EQUAL output, permitting a wide range of applications such as for measuring instruments, timers, etc.
Parametrics
TC5070P absolute maximum ratings: (1)DC supply voltage:VSS-0.5V to VSS+10V; (2)input voltage:VSS-0.5V to VDD+0.5V; (3)output voltage:VSS-0.5V to VDD+0.5V; (4)DC input current:±10mA; (5)power dissipation:300mW; (6)storage temperature:-65℃ to 150℃.
Features
TC5070P features: (1)high-level output voltage:4.95V; (2)low-level output voltage:0.05V; (3)high-level output voltage(segment output):4.0V; (4)output high current:-0.75A; (5)output low current:0.52A; (6)output high current(segment output):-25A; (7)input low voltage:3.5V; (8)input high voltage:1.5V; (9)high-level input current:0.3A.
Diagrams

| Image | Part No | Mfg | Description | ![]() |
Pricing (USD) |
Quantity | ||||||||||||
|---|---|---|---|---|---|---|---|---|---|---|---|---|---|---|---|---|---|---|
![]() |
![]() TC5070P |
![]() Other |
![]() |
![]() Data Sheet |
![]() Negotiable |
|
||||||||||||
| Image | Part No | Mfg | Description | ![]() |
Pricing (USD) |
Quantity | ||||||||||||
![]() |
![]() TC500 |
![]() Other |
![]() |
![]() Data Sheet |
![]() Negotiable |
|
||||||||||||
![]() |
![]() TC5002BP |
![]() Other |
![]() |
![]() Data Sheet |
![]() Negotiable |
|
||||||||||||
![]() |
![]() TC500A |
![]() Other |
![]() |
![]() Data Sheet |
![]() Negotiable |
|
||||||||||||
![]() |
![]() TC500ACOE |
![]() Microchip Technology |
![]() Telecom Line Management ICs 16 Bit Analog Proces |
![]() Data Sheet |
![]()
|
|
||||||||||||
![]() |
![]() TC500ACOE713 |
![]() Microchip Technology |
![]() Telecom Line Management ICs 16 Bit Analog Proces |
![]() Data Sheet |
![]()
|
|
||||||||||||
![]() |
![]() TC500ACPE |
![]() Microchip Technology |
![]() Telecom Line Management ICs 16 Bit Analog Proces |
![]() Data Sheet |
![]()
|
|
||||||||||||
(China (Mainland))










