Product Summary
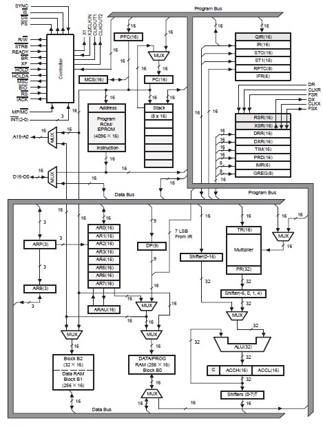
The TMS320C25GBA 16/32-bit single-chip digital signal processor combines the flexibility of a high-speed controller with the numerical capability of an array processor, thereby offering an inexpensive alternative to multichip bit-slice processors. The highly paralleled architecture and efficient instruction set provide speed and flexibility to produce a MOS microprocessor family that is capable of executing more than 12.5 MIPS (million instructions per section). The TMS320C25GBA family optimizes speed by implementing functions in hardware that other processors implement through microcode or software. This hardware-intensive approach provides the design engineer with processing power previously unavailable on a single chip. The TMS320C25GBA consists of three generations of digital signal processors. The TMS320C25GBA is a floating-point DSP device designed for even higher performance. Many features are common among the TMS320C25GBA processor. Specific features are added in each processor to provide different cost/performance tradeoffs. Software compatibility is maintained throughout the family to protect the user’s investment in architecture. Each processor has software and hardware tools to facilitate rapid design.
Parametrics
TMS320C25GBA absolute maximum ratings: (1)Supply voltage range, VCC: 0.3 V to 7 V; (2)Input voltage range: 0.3 V to 7 V; (3)Output voltage range: 0.3 V to 7 V; (4)Continuous power dissipation: 2 W; (5)Operating free-air temperature range: 0℃ to 70℃; (6)Storage temperature range: 55℃ to 150℃.
Features
TMS320C25GBA features: (1)80-ns Instruction Cycle Time; (2)544 Words of On-Chip Data RAM; (3)4K Words of On-Chip Secure Program EPROM; (4)128K Words of Data/Program Space; (5)32-Bit ALU/Accumulator; (6)16 16-Bit Multiplier With a 32-Bit Product; (7)Block Moves for Data/Program Management; (8)Repeat Instructions for Efficient Use of Program Space; (9)Serial Port for Direct Codec Interface; (10)Synchronization Input for Synchronous Multiprocessor Configurations; (11)Wait States for Communication to Slow Off-Chip Memories/Peripherals; (12)On-Chip Timer for Control Operations; (13)Single 5-V Supply; (14)Packaging: 68-Pin PGA, PLCC, and CER-QUAD; (15)68-to-28 Pin Conversion Adapter Socket forEPROM Programming; (16)Commercial and Military Versions Available NMOS Technology; (17)TMS32020: 200-ns cycle time.
Diagrams

| Image | Part No | Mfg | Description | ![]() |
Pricing (USD) |
Quantity | ||||||||
|---|---|---|---|---|---|---|---|---|---|---|---|---|---|---|
![]() |
![]() TMS320C25GBA |
![]() Texas Instruments |
![]() Digital Signal Processors & Controllers (DSP, DSC) Digital Signal Proc |
![]() Data Sheet |
![]()
|
|
||||||||
| Image | Part No | Mfg | Description | ![]() |
Pricing (USD) |
Quantity | ||||||||
![]() |
![]() TMS3112 |
![]() Other |
![]() |
![]() Data Sheet |
![]() Negotiable |
|
||||||||
![]() |
![]() TMS3121 |
![]() Other |
![]() |
![]() Data Sheet |
![]() Negotiable |
|
||||||||
![]() |
![]() TMS320 |
![]() Other |
![]() |
![]() Data Sheet |
![]() Negotiable |
|
||||||||
![]() |
![]() TMS32010 |
![]() Other |
![]() |
![]() Data Sheet |
![]() Negotiable |
|
||||||||
![]() |
![]() TMS320AV7110 |
![]() Other |
![]() |
![]() Data Sheet |
![]() Negotiable |
|
||||||||
![]() |
![]() TMS320BC51PQ100 |
![]() Texas Instruments |
![]() Digital Signal Processors & Controllers (DSP, DSC) TMS320C51PQ - 132QFP - 100MHZ/BOOT CODE |
![]() Data Sheet |
![]() Negotiable |
|
||||||||
(China (Mainland))










